03/07/2025
Próba zginania jest szeroko stosowaną metodą badania materiałów, szczególnie w kontekście łączenia metali i oceny jakości spoin. Jest to badanie nieniszczące, które pozwala ocenić ciągliwość, czyli zdolność materiału do odkształcania plastycznego przed pęknięciem. Próba zginania dostarcza cennych informacji o właściwościach mechanicznych materiałów i jest kluczowa w procesie kwalifikacji spawaczy i procedur spawalniczych.

Na czym polega próba zginania?
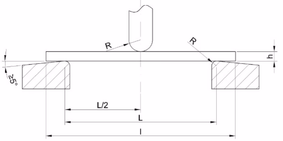
Zasadą próby zginania jest poddanie próbki materiału kontrolowanemu zginaniu, aż do osiągnięcia określonego kąta lub pojawienia się pęknięć. Podczas testu próbka jest umieszczana na specjalnym oprzyrządowaniu, które wywiera na nią siłę zginającą. Oprzyrządowanie to zazwyczaj składa się z matrycy i stempla o określonym promieniu. Promień stempla, wokół którego próbka jest zginana, jest kluczowym parametrem i jest dobierany w zależności od grubości i właściwości materiału. Im mniej ciągliwy materiał, tym większy promień stempla jest wymagany.
Odkształcenie, któremu poddawana jest próbka, zależy od średnicy stempla i grubości próbki (t). Zazwyczaj średnica stempla jest wyrażana jako wielokrotność grubości próbki, np. 3t, 4t, 8t. Normy badawcze określają średnicę stempla w zależności od wytrzymałości i ciągliwości materiału. Na przykład, materiał o niskiej ciągliwości, taki jak całkowicie twardy stop aluminium, może wymagać średnicy stempla 8t. Z kolei wyżarzona stal niskowęglowa może wymagać średnicy stempla zaledwie 3t.
Kąt zgięcia może wynosić 90°, 120° lub 180°, w zależności od wymagań specyfikacji. Po zakończeniu próby próbka jest dokładnie badana pod kątem wad, które mogły ujawnić się na powierzchni rozciąganej. Większość specyfikacji uznaje wadę o długości przekraczającej 3 mm za powód do odrzucenia próbki.

Rodzaje prób zginania
Istnieje kilka rodzajów prób zginania, które różnią się sposobem przygotowania próbek i kierunkiem zginania względem spoiny. Najczęściej stosowane rodzaje to:
- Próba zginania poprzecznego: Próbka jest wycinana poprzecznie do kierunku spawania. W zależności od grubości materiału, próba może być przeprowadzona jako próba zginania lica lub próba zginania grani.
- Próba zginania podłużnego: Próbka jest wycinana równolegle do kierunku spawania, obejmując całą szerokość spoiny, strefy wpływu ciepła (SWC) i część materiału rodzimego.
- Próba zginania bocznego: Stosowana do materiałów o grubości powyżej 12 mm. Próbka obejmuje całą grubość przekroju spoiny.
- Próba zginania z prowadzeniem: Wykorzystuje specjalne oprzyrządowanie z matrycą i stemplem, które prowadzi próbkę podczas zginania, zapewniając kontrolowane odkształcenie. Może być przeprowadzona jako próba zginania trzypunktowego lub czteropunktowego.
Próba zginania poprzecznego
Dla materiałów o grubości poniżej 12 mm, próbki poprzeczne są zazwyczaj testowane z licem lub granią spoiny w naprężeniu rozciągającym. Próbka zginania lica poprzecznego ujawnia wszelkie wady na licu spoiny, takie jak nadmierne podtopienia lub brak wtopienia w ścianę boczną w pobliżu lica. Próbka zginania grani poprzecznego doskonale ujawnia brak wtopienia lub przetopu grani.
Próba zginania bocznego
Materiały o grubości powyżej 12 mm są zazwyczaj testowane za pomocą próby zginania bocznego, która bada całą grubość przekroju. Próbka zginania bocznego poprzecznego bada całą grubość spoiny i jest szczególnie dobra w ujawnianiu braku wtopienia w ścianę boczną i braku wtopienia grani w spoinach doczołowych typu V z podwójnym ukosowaniem. Ta orientacja próbki jest również przydatna do badania napawania spoin, gdzie łatwo ujawniane są wszelkie kruche obszary w pobliżu linii wtopienia.
Próba zginania podłużnego
Próbki zginania podłużnego są obrabiane tak, aby obejmowały całą szerokość spoiny, obie SWC i część każdego materiału rodzimego. Mogą być zginane z licem, granią lub bokiem w naprężeniu rozciągającym i są stosowane, gdy występuje różnica w wytrzymałości mechanicznej między dwoma materiałami rodzimymi lub materiałem rodzimym a spoiną. Próba ta łatwo ujawni wszelkie wady poprzeczne, ale jest mniej skuteczna w ujawnianiu wad zorientowanych podłużnie, takich jak brak wtopienia lub przetopu.

Czynniki wpływające na wyniki próby zginania
Chociaż próba zginania jest prosta i łatwa do wykonania, istnieje kilka czynników, które mogą spowodować, że wynik testu będzie nieważny:
- Przygotowanie próbki: Podczas wycinania próbki ze złącza spawanego należy upewnić się, że proces cięcia nie wpływa na wynik. Konieczne jest usunięcie SWC powstałej podczas cięcia płomieniowego lub metalu umocnionego na zimno, jeśli próbka jest cięta gilotyną.
- Obróbka powierzchni: Zwykle licowanie i grań próbki zginania spoiny są frezowane lub szlifowane na płasko, aby zmniejszyć efekt koncentracji naprężeń, jaki mogłyby one wywołać. Ostre rogi mogą powodować przedwczesne pęknięcie i powinny być zaokrąglone do maksymalnego promienia 3 mm.
- Geometria próbki: Krawędzie poprzecznych próbek zginania z rur o małej średnicy będą doświadczać bardzo wysokich naprężeń rozciągających, gdy średnica wewnętrzna jest w naprężeniu, co może skutkować rozdarciem na krawędziach próbki.
- Niejednorodność złączy: Złącza spawane o niejednorodnych właściwościach, takie jak złącza metali różnoimiennych lub złącza, w których wytrzymałość spoiny i materiału rodzimego znacznie się różnią, mogą powodować „szczytowanie” próbki zginania. Dzieje się tak, gdy większość odkształcenia zachodzi w słabszym z dwóch materiałów, który w związku z tym doświadcza nadmiernego miejscowego odkształcenia, co może skutkować przedwczesnym pęknięciem.
W przypadkach złączy metali różnoimiennych lub spoin stopów aluminium o dużej wytrzymałości, próba zginania na rolkach jest najlepszą metodą, ponieważ każdy element próbki jest odkształcany w podobnym stopniu, a szczytowanie jest w znacznym stopniu eliminowane.
Zastosowania próby zginania
Próba zginania ma szerokie zastosowanie w różnych dziedzinach inżynierii i przemysłu. Najważniejsze z nich to:
- Ocena ciągliwości materiałów: Próba zginania jest bezpośrednim sposobem pomiaru ciągliwości materiału. Pozwala określić, jak bardzo materiał może odkształcić się plastycznie przed pęknięciem.
- Kwalifikacja procedur spawalniczych i spawaczy: Próba zginania jest obowiązkowym badaniem w procesie kwalifikacji procedur spawalniczych i spawaczy zgodnie z normami takimi jak ISO 9606 i ISO 15614.
- Kontrola jakości spoin: Próba zginania jest stosowana do kontroli jakości spoin i wykrywania wad spawalniczych, takich jak pęknięcia, braki wtopienia i przetopu.
- Badanie złączy metali różnoimiennych: Próba zginania jest przydatna do badania złączy metali różnoimiennych, gdzie właściwości mechaniczne materiałów mogą się znacznie różnić.
- Badanie napawania: Próba zginania bocznego jest szczególnie skuteczna w badaniu napawania, gdzie pozwala wykryć kruche obszary w pobliżu linii wtopienia.
Normy związane z próbą zginania
Próba zginania jest ustandaryzowana w wielu normach międzynarodowych i krajowych. Niektóre z najczęściej stosowanych norm to:
- BS EN ISO 5173: Badania niszczące spoin w materiałach metalowych - Badania zginania.
- ASME IX: Welding and Brazing Qualifications (Kwalifikacje spawania i lutowania).
- ASTM E190-92: Standardowa metoda badania zginania z prowadzeniem w celu określenia ciągliwości spoin.
- ISO 7438: Metaliczne materiały - Badanie zginania.
- ASTM E290: Metoda badania zginania materiałów w celu określenia ciągliwości.
Zalety i wady próby zginania
| Zalety | Wady |
|---|---|
| Prosta i łatwa do wykonania. | Wyniki mogą być subiektywne i zależeć od interpretacji. |
| Niedroga metoda badania. | Nie dostarcza ilościowych danych o wytrzymałości materiału. |
| Dobrze ujawnia wady spawalnicze. | Przygotowanie próbek wymaga precyzji. |
| Szerokie zastosowanie w różnych gałęziach przemysłu. | Na wyniki mogą wpływać czynniki takie jak geometria próbki i obróbka powierzchni. |
Często zadawane pytania (FAQ)
- Jaki jest wzór na próbę zginania?
- Wzór na próbę zginania jest związany z równaniem zginania: M/I = 𝜎/Y = E/R, gdzie M to moment zginający, I to moment bezwładności, 𝜎 to naprężenie zginające, Y to odległość od osi obojętnej, E to moduł Younga, a R to promień krzywizny. W praktyce, próba zginania często polega na określaniu kąta zgięcia lub obecności wad po zgięciu, a nie na bezpośrednim obliczaniu naprężeń.
- Na czym polega próba zginania w celu sprawdzenia ciągliwości?
- Próba zginania w celu sprawdzenia ciągliwości polega na odkształcaniu próbki materiału poprzez zginanie, aż do momentu pęknięcia lub osiągnięcia określonego kąta zgięcia. Mierzy się zdolność materiału do odkształcania plastycznego bez pękania. Wyniki są często wyrażane jako procent wydłużenia lub procent redukcji powierzchni.
- Jakie są standardy ASTM dotyczące próby zginania?
- Istnieje wiele standardów ASTM związanych z próbą zginania, m.in.: ASTM E290 (Metoda badania zginania materiałów w celu określenia ciągliwości), ASTM E190 (Standardowa metoda badania zginania z prowadzeniem w celu określenia ciągliwości spoin), ASTM E8/E8M (Standardowe metody badania rozciągania materiałów metalowych), ASTM A720/A720M-02(2011) (Standardowa metoda badania ciągliwości stali elektrotechnicznej nieorientowanej).
Podsumowując, próba zginania jest cennym narzędziem w ocenie właściwości materiałów i jakości spoin. Jej prostota, niski koszt i szerokie zastosowanie czynią ją popularną metodą badań w wielu gałęziach przemysłu.
Jeśli chcesz poznać inne artykuły podobne do Próba zginania: kompleksowy przewodnik, możesz odwiedzić kategorię Rachunkowość.
